EFH01容積式流量計是利用容積式原理來實現對液體流量(如液壓油)進行動狀態監測的,其測量精確度具備不受油品變化、振動影響的特點,配套流量積算儀可以顯示瞬時流量、累積流量、總時間等,配套變送器,可通過RS232 接口輸出標準的 Modbus 協議與控制器連接, 廣泛應用于流量測量、監控領域。
特點
■ 精準、可靠
■ 工作頻率范圍廣
■ 體積小、重量輕、具有良好的抗震性
■ 配油口連接件,安裝簡單
應用場景
■ 流量計量 ■ 油量計量 ■ 涂料定量供給
行業
■ 液壓傳動 ■ 機械設備
性能參數

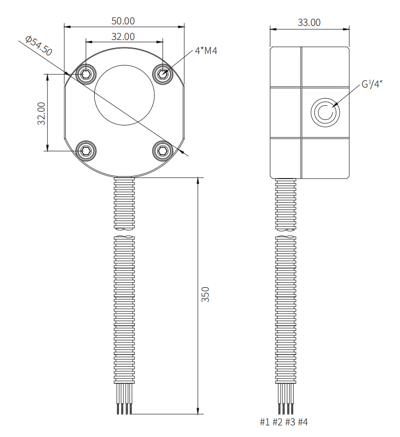
機械尺寸

接線方式
